【包邮含税】美国米顿罗GB/GM系列机械隔膜泵 PVC泵头\PVDF泵头\不锈钢316泵头 加药泵 原装X西安现货
缓蚀阻垢水处理成套加药机 简易加药装置 加药配件一站式配齐,服务热线:4000-365-665











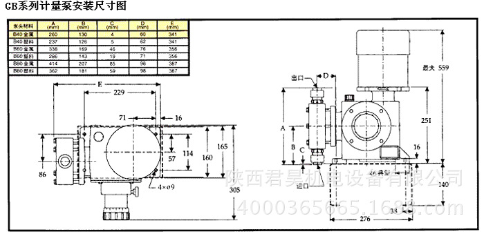
X提供美国米顿罗GM系列、GB系列机械隔膜泵
技术参数:
X大流量:1800L/H
X高压力:1.2MPaG
1-100%连续可调(运行/停止均可)
稳态精度±2%(10-100%量程)
X大吸程:2米水注
X大入口压力:0.2MPaG
允许物料X高温度:40°C
性能特点:
可变偏心机械驱动,确保脉动平缓
机械驱动PTFE膜片
手动/自动调节(可选)
PVC、 PVDF、 316SS 、高精度、浆料等多种泵头可选
双隔膜
电机参数
电源要求:380V/50HZ(三项)
GB0180-GB0450: 标准配置为0.55KW,可变频应用.
GB0600-GB1000:标准配置为0.55KW,可变频时需配置0.75KW.
GB1200-GB1800: 标准配置为0.75KW,可变频应用.
GM0005-GM0170: 标准配置为0.25KW, 可变频应用.
GM0240-GM0500: 标准配置为0.25KW, 变频时需配0.37KW.
控制方式选择:
电动冲程控制器(ECC)
接收外部控制信号,调节计量泵冲程长度,从而改变计量泵输出流量,调节范围0-100%
电动冲程控制器技术参数:
额定电压:单项220V±10%,50/60HZ
功耗:20VA
控制信号:4-20mA(输入阻抗120 Ω)
输出精度:±0.5%F.S
防护等X:IP65
环境温度:-10—40°C
相对湿度:90%(25°C)
变频器控制
采用控制方式时,需另购变频器
接收外部信号时,通过改变电源的频率控制电机转速,改变计量泵冲程频率,从而调节流量
供电电源:380V/50HZ(三项)或220V/50HZ(单项)
采用普通电机放大功率时,变频范围为20-50HZ(40-100%)
采用强制风冷X变频电机时,变频范围为5-50HZ(10-100%)
(强制风冷X变频电机需380V、220V双路供电)
机械隔膜计量泵GM系列:
GM0005、GMO010、GM0025、GM0050、GM0090、GM0120、GM0170、GM0240、GM0330、GM0400、GM0500
米顿罗计量泵GB系列:
GB0080、GB0180、GB0250、GB0350、GB0450、 GB0500、GB0600、GB0700、GB1000、GB1200、GB1500、GB1800
