


边坡加固X扩张环组合
扩张环6孔实物图
边坡加固X扩张环,配套垫块,工作锚定做 6孔扩张环

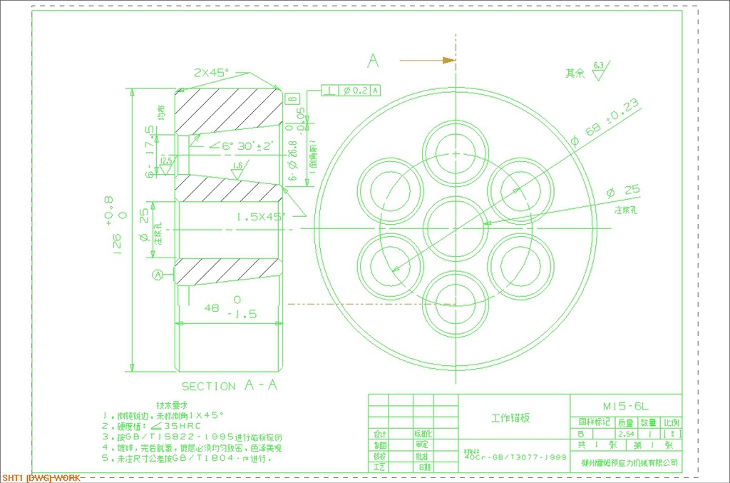
六孔锚具设计图



http://lishan0706.b2b.youboy.com/ 一呼百应柳州山姆专柜店 桥梁设备专卖 隧道 液压提升 智能张拉设备
http://lzleyyl.taobao.com/ 柳州机械预应力淘宝店专卖
http://samelee1988.cn.alibaba.com/ 阿里巴巴 诚信通柳州雷预应力机械有限公司 厂家X 专卖店
http://www.lzsmyyl.com/ 南昌预应力机械专卖 南昌免费包换包修包送
业务联系人:李先生
联系电话:15870001043