杭州污水厂QHB污泥回流泵 不锈钢穿墙泵2.5kw
产品使用范围:
QJB-W型污泥回流泵是在潜水搅拌机生产技术基础上开发的新型产品,该泵为二X污水处理厂混合液回流、反硝化脱氮的X设备,亦可以用于地面排水时抽净化水;灌溉和控制水道系统;废水处理过程中再循环或泥浆抽吸回路中需要微扬程、大流量场所。
使用条件:
1、连续运行时,介质温度不高于40℃;
2、介质PH值为6-9。
3、潜没深度10m。
特点:
该曝气机由潜水电泵与喷射泵组成,从而使水体搅动与充氧同时进行,既可获得较高的氧气吸收率,又具有叶轮无堵塞X点。强有力的单向液流,造成X的对流循环,且电机负荷随水位的变化很小,安装简单。
使用情况:
专门设计的装置部件和设备备件使污泥回流泵达到性能。
1、电缆:电缆采用特制水密电缆;
2、接线盒:接线盒是全封闭的,与周围液体和定子箱是隔离的;
3、电机:50Hz鼠笼式3相潜水异步电动机,FX绝缘,防护等XIP68。电机由周围介质冷却;
4、轴:电动机的轴采用不锈钢材料制作,转子作动平衡试验;
5、密封:静密封为O型密封圈。轴密封为机械密封,将油室与周围介质隔离;
6、轴承:采用进口轴承,设计使用寿命可达100,000小时以上;
7、油室:油用于润滑和冷却机械密封摩擦副,并隔离渗透液;
8、叶轮:叶轮有三枚叶片,叶片宽而薄,表面光滑呈后掠式,高效、无阻运转,且具有自清功能;
9、进口锥管:进口锥管的目的是为了形成的流动状态;
10、排出接头:排出接头用于将进口锥管固定在出水管上;
11、引导装置:引导装置由两根管子(导管)和上方导管夹具所组成。
型号表达:

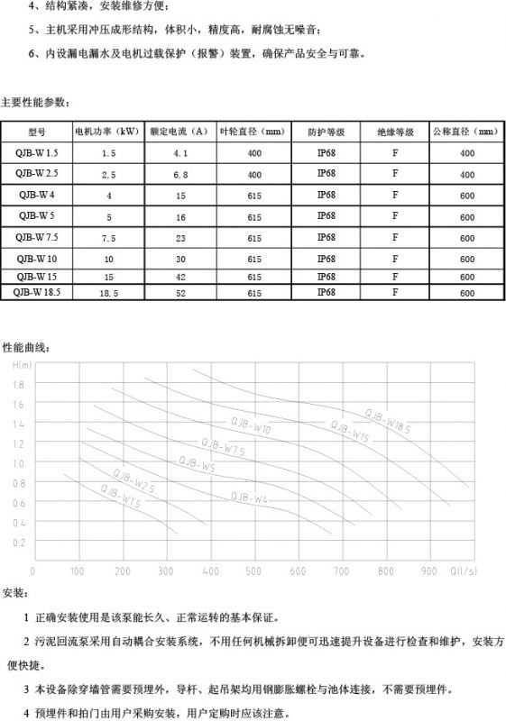
产品特点:
1、按微扬程大流量专门设计,效率高;
2、抗堵塞、缠绕,使用可靠;
3、采用的密封材料,可以安全连续运行10000小时以上;

