1、概述
ARB5系列弧光保护装置采用基于ARM9内核的32位闪存微控制器,根据中国电力系统不断发展的需求研制和生产的适用于中低压等X电网的弧光故障迅速切除装置。其外观时尚、大屏幕液晶显示,图形化多语言菜单,操作快捷方便;具有强大的功能集成:集保护、测量、控制、监测、通讯、故障录波、事件记录等多种功能于一体,准确实时监测弧光信号,保护电流;在线记录事件量达256条,FIFO动态刷新,带有时间标记,掉电不丢失。支持IEC61850通信功能(MMS)和GOOSE通信功能,实现与IEC61850站控层无缝连接,强大的GOOSE跳闸、GOOSE网络联锁功能及可视化的可编程逻辑软件X化了二次接线,IRIG-B、SNTP、PPS等多种对时方式确保全站时钟的统一。ARB5-E扩展单元开关柜就地安装,ARB5-M主控单元可以就地安装也可以组屏安装,是构成智能电网的理想元件。

1)弧光保护(8组);
2)失灵保护(4组);
3)TA断线监测(4组);
4)非电量保护;
5)装置故障告警。
3.2主要测控功能24路开入信号量的采集(通过增加开入板可扩展开入数量),除部分有特殊定义外,其余开入量可由用户定义。本单元开入信号有两种接入方式可供选择:一种有源接点,外接电源;另一种是无源接点,本装置提供电源。具体见后面的示意图。用户在订货时需说明。
测量数据
基本数据——电流1:IA1、IB1、IC1;电流2:IA2、IB2、IC2;电流3:IA3、IB3、IC3;电流4:IA4、IB4、IC4。
谐波数据——电流1:IA1、IB1、IC1;电流2:IA2、IB2、IC2;电流3:IA3、IB3、IC3;电流4:IA4、IB4、IC4的2、3、5次谐波。
对称分量——电流1对称分量:I1_1、I2_1、3I0_1;电流2对称分量:I1_2、I2_2、3I0_2; 电流3对称分量:I1_3、I2_3、3I0_3;电流4对称分量:I1_4、I2_4、3I0_4。
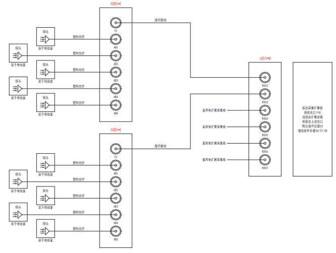
弧光保护解决方案由主控单元ARB5-M和扩展单元ARB5-E组成,一个主控单元可配多个扩展单元。每个扩展单元可以插接多个扩展插件,每个扩展插件可以采集5路弧光信号,一个扩展单元至多可以插接6块扩展插件,扩展单元主要给扩展插件提供工作电源,进行弧光信号仿真模拟等;主控单元上有四组三相电流采集回路,可以采集12路模拟电流信号;还有弧光采集插件,每个插件可以接收30路弧光信号,一个主控单元至多可以插接4路弧光采集插件,合计120路弧光信号。弧光保护典型配置方案如下图。

图1.1 弧光保护装置典型配置方案

图1.2 弧光保护装置构成方式
安科瑞弧光探头点式弧光传感器开孔及安装安科瑞弧光探头点式弧光传感器开孔及安装应遵循以下原则:
安科瑞弧光探头点式弧光传感器建议安装地点包括(但不仅限于)断路器室、电缆室、母线室。可面板开孔安装,亦可支架式安装。弧光探头的检测范围是一个角度为120°,半径0.5m 的扇形区域,所以选择探头安装点时应充分考虑该要素,避免出现检测盲区。

ARB5-S弧光探头开孔尺寸及安装示意图
在开关柜有断路器的情况下,弧光传感器建议安装容易产生电弧的位置(如:在母线触头连接处、上或下隔离开关(2处)触头处、电流互感器触头处、电缆接头处)。开关柜无断路器的情况下,弧光传感器建议安装在母线触头连接处、上和下隔离开关触头处(1处)、电缆接头处。
封闭式母线桥架在桥架两端需要安装弧光传感器。若考虑实现开关柜的整体保护,可以在开关柜的断路器室和电缆室各安装1个弧光传感器。


